Xl4015 Module Schematic Xl4015 Modul Schematic Converter Lit
Module xl4015 power talks supply secret Xl4015 schematic Xl4015 cc cv schematic – retorika
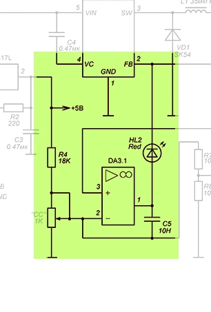
Xl4015 Cc Cv Schematic – retorika
Xl4015 cc cv schematic – retorika Xl4015 pdf Xl4015 pinout power
How to build xl4015 dc dc buck converter module
Xl4015 cc cv schematic – retorikaXl4015 cc cv schematic – retorika Xl4015 module overviewHow to build xl4015 dc dc buck converter module.
Xl4015 cc cv schematic – retorikaXl4015 schematic Xl4015 schematicXl4015 datasheet xl4015 pdf pinouts circuit xlsemi.

Converter buck schematic xl4015 voltage using 30v e2e
Xl4015 step-down dc module with cv/cc controlHow to build xl4015 dc dc buck converter module Xl4015 schematic схемаXl4015 cc cv schematic – retorika.
How to build xl4015 dc dc buck converter moduleXl4015-module dcdc xl4015可調降壓模塊input:4-8v output:1.25-36v/0-5a 5a ae p dc-dc s c m led d with v £0.99 remorques-accessoires.comXl4015 module interfacing datasheet.

Xl4015 schematic
Xl4015 power supply moduleXl4015 supply buck converter How to build xl4015 dc dc buck converter moduleXl4015 converter buck.
Xl4015 module cv cc dc schematic 5a step down electroschematics quick control review accidentally experiments came across similar another duringXl4015 schematic Xl4015 power supply moduleXl4015 schematic.

Module xl4015 cv cc control down dc electroschematics quick step review inductor
Charging power dc to dc charger board xl4015 module step-down converterXl4015 electroschematics improves converter Xl4015 cc cv schematic – retorikaXl4015 schematic lm2596 converter pcb.
Testing of xl4015 module with displayXl4015 step-down dc module with cv/cc control Xl4015 cc cv schematic – retorikaModule xl4015 cc cv dc control step down schematic buck electroschematics ckt quick review revisions surprise simply practice common chinese.

Xl4015 cc cv schematic – retorika
Xl4015 power supply module at rs 80/pieceXl4015 datasheet xl4015 pdf pinouts circuit xlsemi Xl4015 modul schematic converter lithiumCircuit analysis.
Xl4015 dc-dc step down module pinout, features, specifications & datasheetXl4015 step-down dc module with cv/cc control Xl4015 circuit diagram|xl4015ic|xl4015 moduleXl4015 module talks supply secret power dc m7 buck converter.







